混合式步進行星齒輪減速電機 (內齒圈材質:金屬)
Planetary Gear Stepping Motor (Ring Gear Material: Metal)
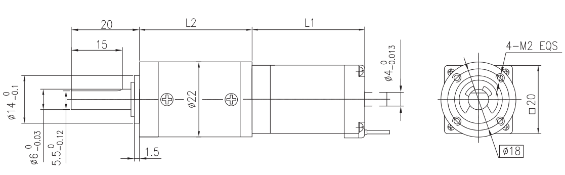
FL20STH 22JMS20K | Φ22行星減速器,允許轉矩范圍:0.6N.m~2.0N.m 22mm Planetary Gearbox,Permissible Load Range: 0.6N.m~2.0N.m |
| 內齒圈材料 Ring material | 金屬 metal |
| 輸出軸軸承形式 Bearing at output | 滾動軸承Ball bearings |
| 最大允許徑向負載(離法蘭10mm處) Max. Radial load(10mm from flange) | 50N |
| 最大允許軸向負載 Max. shaft axial load | 30N |
| 徑向間隙(測量點盡量接近法蘭)Radial play of shaft(near to flange) | ≤0.08 mm |
| 軸向間隙 Axial play of shaft | ≤0.3 mm |
| Model No. | 額定電壓 | 每相電流 | 每相電阻 | 每相電感 | 保持轉矩 | 引出線數 | 轉動慣量 | 重 量 | 長度L1 | 適配減速比 |
| Rated Voltage | Current/Phase | Resistance/Phase | lnductance/Phase | HoldingTorque | # of Leads | Rotor lnertia | Weight | Length L1 | Max. Gear Ratio | |
| 單軸 Single Shaft | V | A | Ω | mH | g.cm | kg-m2 | g | mm | ||
| FL20STH33-0604A | 3.9 | 0.6 | 6.5 | 1.7 | 180 | 4 | 2.0x10 -7 | 60 | 33 | ≤1:369 |
| FL20STH42-0804A | 4.32 | 0.8 | 5.4 | 1.5 | 300 | 4 | 3.6x10 -7 | 80 | 42 | ≤1:264 |
| 減 速 比 Reduction ratio | 3.71 | 5.18 | 14 | 19 | 27 | 51 | 71 | 100 | 139 | 189 | 264 | 369 |
| 精確減速比 Accurate Reduction Ratio | 63/17 | 57/11 | 3969/289 | 3591/187 | 3249/121 | 250047/4913 | 226233/3179 | 204687/2057 | 185193/1331 | 538861/2857 | 1119000/4243 | 3661450/9929 |
| 減速級數 Number of gear trains | 1 | 2 | 3 | 4 | ||||||||
| 減速器長度(L2) Length(L2) mm | 23.4 | 30 | 36.4 | 42.8 | ||||||||
| 最大額定轉矩 kg.cm Max. rated torque | 6 | 10 | 20 | 20 | ||||||||
| 瞬間允許轉矩 kg.cm Short time permissible torque | 20 | 30 | 60 | 60 | ||||||||
| 效 率 Efficiency % | 0.9 | 0.81 | 0.73 | 0.66 | ||||||||
| 背隙(無負載時)Backlash at no-load | 0.6° | 1.0° | 1.5° | 1.5° | ||||||||
| 重 量 Weight g | 31 | 37 | 43 | 49 | ||||||||
該款電機可以根據客戶需求定制。
The motor can be designed &manufactured with customized request.

Copyright 2023 版權所有 江蘇富興電機技術股份有限公司 蘇ICP備05002292號-1