繞組連接方式 ( Winding Type ) | 星形 ( Star connection) |
霍爾分布角度 ( Hall Effect Angle ) | 120度電角度 ( Electrical Angle of 120 degree) |
徑向間隙 ( Radial Play ) | 0.02mm@450g |
軸向間隙 ( Axial Play ) | 0.08mm@450g |
最大徑向負載 ( Max radial force ) | 15N 距法蘭10mm ( 10mm From the flange) |
最大軸向負載 ( Max axial force ) | 10N |
介電強度 ( Dielectric Strength ) | 600VAC/1S |
絕緣電阻 ( Insulation Resistance ) | 100MΩ, 500VDC |
環境溫度 ( Ambient Temperature ) | -20°C ~ +50°C |
絕緣等級 (Insulation Class) | Class B |
引出線型號Type | 引出線顏色Color | 功能Functions |
UL1430 AWG26 | 紅色 ( Red) | 霍爾電源正 ( Vcc ) |
藍色 ( Blue ) | 霍爾 U ( Hu ) | |
綠色 ( Green ) | 霍爾 V ( Hv ) | |
白色 ( White ) | 霍爾 W ( Hw ) | |
黑色 ( Black) | 霍爾電源負 ( GND ) | |
UL1430 AWG22 | 黃色 (Yellow ) | U相 ( Phase U ) |
紅色 ( Red) | V相 ( Phase V ) | |
黑色 ( Black) | W相 ( Phase W ) |
單 位 (Unit) | FL38CBL58-24V-4030A | |
極數 ( Number of poles ) | 4 | |
相數 ( Number of phases ) | 3 | |
額定電壓 ( Rated voltage ) | VDC | 24 |
額定轉矩 ( Rated torque) | mN.m | 70 |
連續運行轉矩 ( Continuous stall torque) | mN.m | 84 |
額定速度 ( Rated speed ) | RPM | 4000 |
額定功率 ( Rated power ) | W | 30 |
峰值轉矩 ( Peak torque ) | mN.m | 210 |
峰值電流 ( Peak current ) | A | 4.8 |
線電阻 ( Line to line resistance ) | ohms@20℃ | 2.0 |
線電感 ( Line to line inductance ) | mH | 1.5 |
轉矩常數 ( Torque constant ) | mN.m/A | 44.55 |
反電勢 ( Back EMF ) | Vrms/KRPM | 3.3 |
轉動慣量 ( Rotor inertia ) | g.cm2 | 36 |
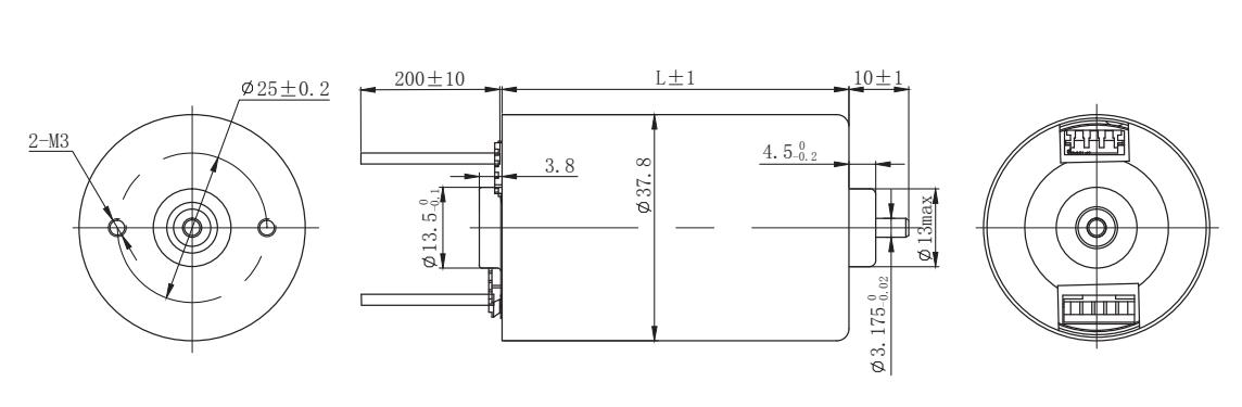
機身長度 ( Motor length ) L | mm | 58 |
重量 ( Weight ) | Kg | 0.24 |
該款電機可以根據客戶需求定制。
The motor can be designed &manufactured with customized request.

Copyright 2023 版權所有 江蘇富興電機技術股份有限公司 蘇ICP備05002292號-1