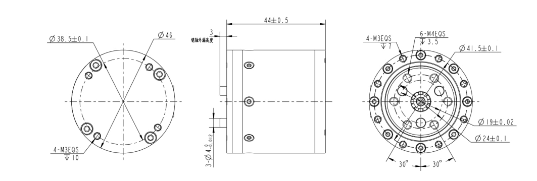
電機特性
| 科目 Item | 參數 Spec |
| 磁編碼器 Magnetic Encoder | 2 pcs |
| 額定電壓 Rated Voltage | 48V |
| 使用電壓范圍 Voltage Range | 15-60V |
| 額定輸出功率 Rated Output Power | 16.7w ±10% |
| 額定扭矩 Rated Torque | 1.6N.m |
| 峰值扭矩 Peak Torque | 5.5N.m |
| 運轉方向 Running Direction | CW/CCW |
| 使用溫度范圍 Temperature Range | -20~50℃ |
| 使用濕度范圍 Humidity Range | 5~85% |
| 保存溫度范圍 Storage Temperature Range | -30~70℃ |
| 絕緣等級 Insulation Level | Class B |
| 空載轉速 No-load Speed | 480 rpm ± 10% |
| 空載電流 No-load Current | 0.14 Arms |
| 額定負載轉速 Rated Load Speed | 100 rpm ± 10% |
| 額定負載相電流 Rated Load Phase Current | 2.4Apk ± 10% |
| 峰值相電流 Peak Phase Current | 11Apk ± 10% |
| 絕緣電阻/定子繞組 Insulation Resistance/ Stator Winding | DC 500VAC,100M 0hms |
| 耐高壓/定子與機殼 High Voltage Resistance/ Stator and Casing | 600VAC, 1s, 2mA |
| 電機反電勢 Back-EMF | 7.4 Vrms/rpm ±10% |
| 轉矩常數 Torque Constant | 0.94 N.m/Arms |
機械參數
| 科目 Item | 參數 Spec |
| 重量 Weight | 191g ±3g |
| 極數 Pole | 20 |
| 相數 Phase | 3 |
| 驅動方式 Drive Method | FOC |
| 減速比 reduction ratio | 7.75:1 |
性能參數
最大過載曲線
| 負載 Load (N.m) | 工作時間 Operating Time (s) |
| 5.5 | 4 |
| 5 | 5.5 |
| 4 | 12 |
| 3 | 41 |
| 2 | 300 |
| 1.6 | rated |


Copyright 2023 版權所有 江蘇富興電機技術股份有限公司 蘇ICP備05002292號-1