特點:
1、采用32位電機控制專用芯片
2、輸入電壓9VDC~30VDC,寬電壓輸入
3、支持多種調速模式(PWM\模擬量)
4、具備啟停、正反轉、剎車等控制功能
5、高精度的速度、電流雙閉環控制
6、無hall傳感器,電感法(高頻脈沖注入)
7、具有過壓、欠壓、過流、過溫、堵轉等保護功能
8、超高性價比,經濟高效
9、可接受定制化
典型案例:
廣泛應用于各種中小型自動化設備和儀器,例如:電子加工設備、3C非標自動化設備、鎖螺絲機、剝線機、繞線機、端子機、激光機、打標機、噴繪機、中小型雕刻機、自動抓取設備、專用數控機床、包裝設備和機器人等。
產品概述:
它采用32位專用電機控制芯片,集成度高、體積小、擁有完善的保護措施。該電機采用新型的PWM控制技術,使無刷電機運行具有轉度高、振動小、噪聲低、平穩性好等優點。
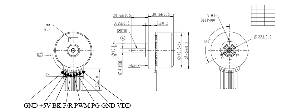
控制端口(JST B08B-PASK 8引腳)
引腳號 | 信號 | 功能 | 說明 |
1 | GND | 傳感器電源地 | 傳感器電源地,與主電源共地 |
2 | +5V | 傳感器+5V電源 | 傳感器+5V電源,輸出電流<=30mA |
3 | BK | 剎車信號 | 懸空或接高電平無效(1.7V~24V) 接低電平剎車有效(0V~0.8V) |
4 | F/R | 方向信號 | CW\CCW高低電平極性可軟件配置 高電平(1.7V~24V) 低電平(0V~0.8V) |
5 | SV/PWM | 調速信號 | 模擬量調速:0.5V~4.5V, PWM調速: 負占空比有效 0~5%全速 5~95%線性調速 95~100%停止 |
6 | PG | 轉速信號 | TTL-5V電平,1脈沖/1對極/轉 |
7 | GND | 電源負極 | 電源輸入負端 |
8 | VDD | 電源正極 | 電源輸入正端,輸入電壓9V~30Vdc |

Copyright 2023 版權所有 江蘇富興電機技術股份有限公司 蘇ICP備05002292號-1